Миссия:Таланты
ШКОЛЬНИКАМ
СТУДЕНТАМ
ПРЕПОДАВАТЕЛЯМ
СОТРУДНИКАМ
ЦИФРОВАЯ БИБЛИОТЕКА
УЧИТЕЛЯМ
Инженерные классы
 

Перейти на платформу Сетевой школы Росатома

школьникам

Перейти в личный кабинет

студентам
сотрудникам
экспертам
преподавателям

Демонстрационный экзамен по компетенции «Инженер—технолог машиностроения»

Модуль A. Построение 3D модели детали
На выполнение задание отводится 2 часа.
Построить технологическую 3D модель детали согласно чертежу «Деталь A».
Для выполнения модуля А участнику выдается:
  • Чертеж «Деталь A»

По чертежу «Деталь A» необходимо построить модель детали в середине полей допусков.
Результат выполнения задания:
  • Файл модели «Деталь A»

Модуль C. Разработка технологического процесса на деталь.
На выполнение задание отводится 4 часа.
Разработка технологического процесса на изготовление детали «Деталь C» в количестве 1 шт.

Для выполнения модуля C участнику выдается:
  • КД на «Деталь C»
  • Исходные данные
  • Каталоги режущего инструмента в формате PDF (SECO, Sandvik, Iscar)
  • Каталог оборудования
  • Каталоги измерительного и контрольного инструмента
  • Бланки ТП (МК, ОК, КЭ и тд)
  • Справочная литература

Необходимо разработать технологический процесс на изготовление «Деталь C», который содержит карты МК, ОК, КЭ. Операции механической обработки и контроля должны содержать технологические переходы, средства технологического оснащения, режимы резания, оборудование (при наличии). Карта эскизов должна содержать обрабатываемые поверхности, операционные размеры, зажимные приспособления и шероховатости.
Работа оформляется и сдается в распечатанном и электронном виде на форматах А3, А4 (количество листов не ограничено) на выданных бланках. Использование баз данных и автоматизированных систем разработки ТП не допускается. Рукописные исправления на распечатанных бланках не допускаются.

Результат выполнения задания:
Комплект технологических карт (технологический процесс) на изготовление детали.
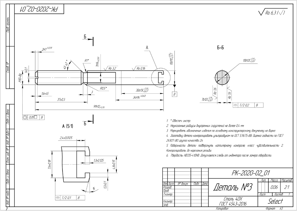
Деталь А
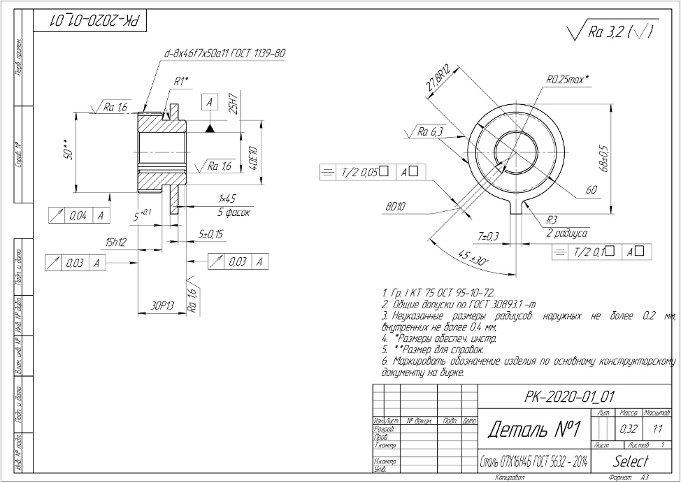
Деталь С
Если у вас есть вопрос - направьте нам письмо!
Можете отправить через форму или напрямую на e-mail new_kadry@rosatom-academy.ru или по телефону +7 (499) 922-42-47 (доб. 2009)